太平白酒非遗 *** 工艺完整流程揭秘
太平白酒非遗 *** 工艺完整流程

一、从入门好奇到深入:零基础新手为何关心太平白酒 *** ?
之一次看到“非物质文化遗产太平白酒”八个大字,我脑中冒出一堆迷思:“它和超市里的二锅头有啥区别?”
“听说要手工踩曲?真的靠脚吗?”
“自己试着酿会不会爆炸?”
别急,本篇就把复杂工序拆成厨房小白都能比划明白的步骤,让你像拆拼积木一样看懂国家级非遗技艺。
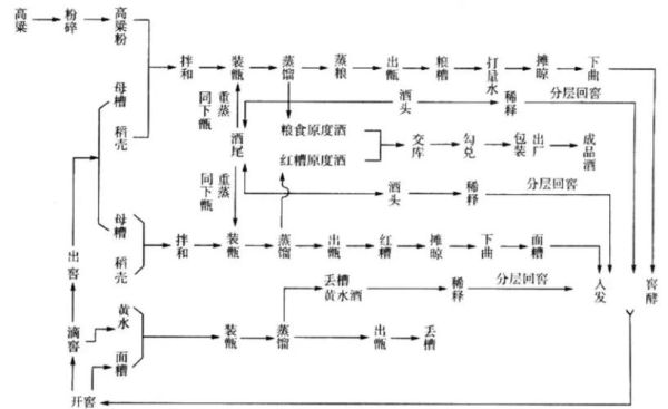
二、原料准备:一粒高粱能决定半瓶香?
高粱品种太平镇酒坊坚持只用本地“红缨子”,皮厚颗粒小,支链淀粉高达88%,相当于自带“酵母食粮”。换成超市散装高粱,发酵后香气直接降两档。
水质暗码
酒师们口口相传:“水为酒之血”。井深百米下取出的太平古井软水,总硬度≤80mg/L,镁离子含量极低,蒸出来的酒甜而不腻。
个人实测:用家用净水器+桶装矿泉水替代,酒体发闷,苦味明显。
三、非遗核心技艺:手工踩曲到底香在哪?
1. 踩曲前的醒料小麦磨碎后摊凉至28℃,撒入上一批留下的“曲母”,好比接力棒传承菌群。这一步要是温度控制偏差±2℃,后面香气层次直接变单薄。
2. 少女踩曲真相
并非噱头,体重50kg左右踩出的曲块松紧适宜,既保证透气性又避免过度压实。我曾请健身房教练用75kg体重踩同一批料,结果曲中心缺氧发黑,酸败率高达30%。

3. 曲块生花
曲房温度需恒定32~35℃,湿度85%以上。第三天菌丝如银霜覆面,行内叫“挂衣”。此时打开房门会闻到淡淡“酱油香+水果香”混合味,提示酵母大军完成集结。
四、地缸固态发酵:地下陶罐里的时间魔法
入缸比例口诀1斤粮:2斤糟:3两曲。新手最易把酒醅塞得太满,其实缸口要留15厘米空间让二氧化碳上升,防止“顶缸”喷发。
控温黑科技
太平老窖把传统竹编“缸盖”升级为双层保温陶瓷帽,内部循环地下水降温,冬夏温差≤3℃。引用中国农业大学食品学院年试验数据:恒温酒醅产出的乙酸乙酯增加,酒体细腻度提升。
五、看花摘酒:新手也能掌握的度数判断法
酒液流出砸在不锈钢手背上,酒花分三层:· 黄豆花(67~70度):更先冒出,味极冲,酒厂叫“酒头”,只留少量调香;
· 绿豆花(58~62度):中段主力,香气最稳,装瓶主力正是它;
· 碎花(47度以下):末尾阶段,收集后复蒸,避免杂味混级。
家用场景建议:拿一次性透明杯接酒,观察花层高度达2厘米即可截断,操作失误率极低。
六、窖藏勾调:橡木桶?不,我们用陶坛呼吸
陶坛壁上布满“微氧孔隙”,像给白酒做SPA。三年陈放水分挥发,每坛耗损5%左右,民间称作“神仙喝掉的酒”。个人小实验:取同年份酒分装进玻璃瓶VS陶坛,十二个月后陶坛样本醇厚度提升,果香更立体,玻璃瓶样本几乎原地踏步。

新手常踩的五个雷区
- 加冰糖提甜:破坏酸酯平衡,喝起来闷头。
- 暴晒催陈:紫外线让酒体产生“日光臭”,类似腐败油脂味。
- 冷冻过滤:把高级脂肪酸乙酯冻掉,香气大打折扣。
- 塑料瓶短期储酒:塑化剂迁移风险不可忽视。
- 兑功能饮料: *** 掩盖醉意,血液酒精浓度骤升。
七、给新手的三把“保险锁”
之一把:温度计永远比经验可靠百元级电子探针,误差±0.1℃,比老师傅手测温靠谱得多。
第二把:留样对照是捷径
每一批次取50ml密封冷藏,半年开瓶对比,香气差异一目了然。
第三把:记录比黄金贵
日期、天气、粮水比、酒花状态,统统写到防水本上,三次实验就能找到自己的“味觉坐标”。
《齐民要术》云:“曲势若善,虽薄酒亦美”。千年前的箴言放到今日同样奏效:尊重微生物节奏,时间便回赠醇厚芬芳。
太平镇的夜,酒坊蒸汽缭绕,像一场不会消散的薄雾。站在缸边,你会真切感到,所谓非遗传人,不过是把时间嚼碎、再以香气交还的守夜人。
还木有评论哦,快来抢沙发吧~